

销售热线
0531-58687300门窗墙体试验机
简介
WQNH系列外墙外保温系统耐候性能检测试验机(以下简称本耐侯试验机)是按照建筑行业标准JG149-2003 、JG158-2004等技术要求,针对当前建筑节能用外墙外保温系统长期在人工模拟自然环境如高温、寒冷、雨水等气侯条件下的耐久性能的试验室检测而研制、生产的新型智能化检测产品。
本耐侯试验机主体采用一个内胆为不锈钢板,中间填充高密度聚胺酯保温材料的环境试验箱,配置冷风机组、热风机组、喷淋装置以及抽湿干燥全套设施,循环模拟产生高温(环境温度可达120℃)、低温(可达-25℃)、淋水、干燥的自然环境;两侧可以在导轨上前后移动的可翻转的双试件框结构,装载2组4个外保温系统试件;实现两面试件进行试验时,另外两侧的试件涂装并养护;一组试件试验完毕,翻转后试验另一组。
本耐侯试验机计算机监控系统采用当前先进的集散式控制系统(DCS)结构,液晶触摸屏或工业计算机作为上位机,PLC可编程控制器作为下位机,具有全自动采集各点温度、湿度信号,自动控制加热-雨循环、热冷循环以及干燥系统抽湿干燥-重生试验过程、显示记录温度、湿度曲线、打印原始记录及检测结果的多项功能。
本耐侯试验机具有(1)、两组双试件框翻转设置,一面养护的同时另一面进行试验,翻转操作简便、占地面积少、工作效率高;(2)集散式控制系统,全自动数据采集准确、温度、湿度控制精度高;(3)、高密度聚胺酯保温材料,保温效果好,节约能源、性能稳定、使用寿命长;(4)进口制冷压缩机组,运行噪音低等诸多优点。是各省市建筑节能检测及科研设计单位理想的检测设备。
二 、适合标准
1、JG149-2003 《膨胀聚苯板薄抹灰外墙外保温系统》
2、JG158-2004 《胶粉聚苯颗粒外墙外保温系统》
3、根据标准要求,试件的面积不小于6.00m2,宽度不小于2.50m,高度不小于2.00m。
三、主要技术性能指标
1、环境温度控制范围:-30℃~100℃,测试精度:0.5级;
2、试件表面温度控制范围:-20℃~70℃,测试精度:0.5级;
3、空气温度控制精度:控制目标温度的±1℃
4、水温度控制范围:10℃~20℃,测试精度:0.5级,控制精度:±0.5℃
5、相对湿度测试精度:3级,控制精度:控制目标湿度的±1%
6、流量控制范围:100~1000L/h,测试精度:2.5级;
7、供电要求:AC380V,40kW,三相五线制动力电;AC220V,2kW,单相三线制照明;
8、混凝土墙体尺寸:3000mm×2100mm×200mm(长×高×厚) ;试件框外形尺寸:3400mm×2600mm×360mm(长×高×厚);导轨:18#或22#标准轻质铁轨;
9、 试验箱外形尺寸:3400 mm×2540 mm×1500mm (长×高×宽);占地面积:6500 mm×4200 mm×4500mm (长×高×宽);(不包括养护部分);
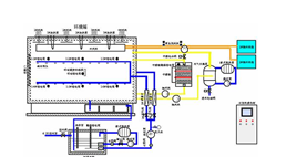
四 、设备组成
WQNH系列外墙外保温系统耐候性能检测试验机主要由仪表控制、记录与电气控制台;环境箱;温度测量系统;除湿、干燥系统;空气制冷系统;空气加温系统;空气排空系统;循环水冷却、喷水系统;试件框与可翻转拖车、导轨系统九大部分组成。

图1、墙体外保温耐侯监测试验机结构框图
1、计算机监控、记录与电气控制台(一套):主要由PLC工业可编程控制器+液晶触摸屏(或工业控制计算机)、电气元件、电控柜等组成。
2、环境箱(一套):主要由环境箱、保温门、照明装置、安装卡具、密封系统组成。
3、温湿度测量系统(一套):主要由16路测温铂电阻、密封材料、一路湿度变送器等组成。
4、除湿干燥系统(一套):主要由干燥箱、分子筛、管路、截止阀、除湿抽风机组成。
5、 空气制冷系统(一套):主要由一套制冷机组、制冷管道、不锈钢冷风机组成。
6、 空气加温系统(一套):主要由热风机、不锈钢干式加热器组成。
7、空气膨胀排空系统(一套):主要由排空阀、排空管道组成。
8、循环水冷却、喷水系统(一套):主要由两台玻璃管水流量计、水加压泵、水路阀门管路、喷淋喷头、板式换热器、制冷循环泵组成。
环境试验箱内胆为不锈钢板,中间填充高密度聚胺酯保温材料;配置(1)、热风机组:计算机监控系统通过大功率电力模块调节不锈钢电加热管的电功率,根据升温、保温的试验过程要求调节空气温度;(2)、制冷机组:计算机监控系统通过调节半封闭式进口制冷机组的制冷功率,根据降温、保温的试验过程要求调节空气温度;(3)、喷淋装置:设置恒温水箱(自带测温传感器与板框制冷机组温控系统,长期保持15℃水温)、加压泵、水流量计、调节阀门、喷淋水嘴以及保温管路,完成水温稳定-加压-调节-喷水-回水-调温等系列喷淋水循环过程;(4)、抽湿干燥设施:设置过滤网-截止阀-抽风机-水气分离器-干燥箱-冷却装置以及保温管路完成抽湿干燥以及再生过程。